羅茨真空泵主要由一對同步高速旋轉的“8”字形轉子與兩個半圓形的泵腔組成。該泵不能單獨排氣,必須與前級泵(如滑閥泵、旋片泵、水環(huán)泵、油環(huán)泵等)串聯(lián)使用。在前級泵進氣口前面串聯(lián)上羅茨真空泵組成機組可提高前級泵的真空度,在有效范圍內可大大提高抽氣速率。羅茨真空泵的極限壓力由前級泵決定,表中數據為標準配置(配用雙級油封式機械真空泵)時的最低極限壓力。羅茨泵廣泛使用于真空澆鑄、真空熔煉、真空脫氣、真空鍍膜行業(yè)及化工醫(yī)藥行業(yè)的真空蒸餾、真空干燥等。泵對小量灰塵不敏感。
本公司羅茨真空泵經過10余年不斷改進,有以下優(yōu)點:
●因轉子采用高精度專用數控機床加工,并作精細平衡校驗,具備良好的幾何對稱性,轉子嚙合間隙均勻。泵體、側蓋采用專用機床加工,精度高。因此本公司羅茨真空泵運轉平穩(wěn)、噪聲低、振小、極限真空度高。
●因泵的傳動部件采用可靠的消隙結構,故泵可高壓差下長期工作。
●起動快,能在短時間內達到極限真空。
●因泵腔內無互相滑動的零件,無需用油潤滑,避免了油蒸汽對系統(tǒng)的污染。
●安全可靠,ZJP系列本身配帶溢流閥起自動保護作用。
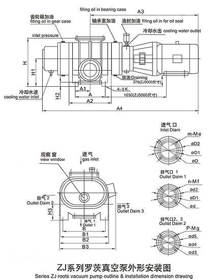
●結構緊湊,占地面積小。左、右、下面三個排氣口可以任選一個,方便用戶安裝。
本公司羅茨真空泵經過10余年不斷改進,有以下優(yōu)點:
●因轉子采用高精度專用數控機床加工,并作精細平衡校驗,具備良好的幾何對稱性,轉子嚙合間隙均勻。泵體、側蓋采用專用機床加工,精度高。因此本公司羅茨真空泵運轉平穩(wěn)、噪聲低、振小、極限真空度高。
●因泵的傳動部件采用可靠的消隙結構,故泵可高壓差下長期工作。
●起動快,能在短時間內達到極限真空。
●因泵腔內無互相滑動的零件,無需用油潤滑,避免了油蒸汽對系統(tǒng)的污染。
●安全可靠,ZJP系列本身配帶溢流閥起自動保護作用。
●結構緊湊,占地面積小。左、右、下面三個排氣口可以任選一個,方便用戶安裝。
ZJ、ZJP型泵主要性能參數表
注:表中極限壓力是指用麥式真空計測得。
注:ZJP系列指帶溢流閥結構。

外形安裝圖:

| 型號 | 極限壓力帕(Pa) |
抽氣速率 升/秒(L/S) |
最大允許壓差 (HPa) |
進排氣口徑(mm) |
配用功率 kw |
零流量最大 壓縮比 |
重量 (Kg) |
||
|
配用雙級油封 機械真空泵 |
配用單級油封 機械真空泵 |
進氣 | 排氣 | ||||||
| ZJP-70 | ≤2x10-2 | ≤1x10-1 | 70 | 100 | 80 | 50 | 1.5 | ≥35 | 100 |
| ZJP-150 | 150 | 80 | 100 | 100 | 2.2/3 | ≥40 | 220 | ||
| ZJP-300 | 300 | 80 | 150 | 150 | 4 | ≥40 | 300 | ||
| ZJP-600 | 600 | 50 | 200 | 200 | 5.5/7.5 | ≥45 | 575 | ||
| ZJP-1200 | 1200 | 50 | 250 | 200 | 11/15 | ≥50 | 860 | ||
| ZJP-2500 | 2500 | 30 | 320 | 250 | 18.5/22 | ≥50 | 1480 | ||
| ZJ-30 | 30 | 100 | 50 | 40 | 0.75 | ≥30 | 55 | ||
| ZJ-70 | 70 | 100 | 80 | 50 | 1.5 | ≥35 | 90 | ||
| ZJ-150 | 150 | 80 | 100 | 100 | 2.2/3 | ≥40 | 210 | ||
| ZJ-300 | 300 | 80 | 150 | 150 | 4 | ≥40 | 285 | ||
| ZJ-600 | 600 | 50 | 200 | 200 | 5.5/7.5 | ≥45 | 550 | ||
| ZJ-2500 | 2500 | 30 | 320 | 250 | 18.5/22 | ≥50 | 1480 | ||
| ZJ-5000 | 5000 | 30 | 400 | 320 | 37/45 | ≥55 | 3400 | ||
注:ZJP系列指帶溢流閥結構。
性能曲線圖:

外形安裝圖:

| Model | A | A1 | A2 | A3 | A4 | B | B1 | B2 | B3 | H | H1 | H2 | H3 | D | D1 | D2 | d | d1 | d2 | d3 | d4 | d5 | m | n | p | e | f | g | k |
| ZJ70 | 330 | 120 | 370 | 584 | 829 | 219 | 247 | 324 | 226 | 122 | 18 | 90 | 125 | 145 | 50 | 90 | 110 | 4 | 4 | 8 | 8 | 18 | |||||||
| ZJ150B | 115 | 57.5 | 154 | 675 | 950 | 320 | 360 | 380 | 448 | 345 | 205 | 35 | 95 | 100 | 145 | 170 | 100 | 145 | 170 | 80 | 125 | 145 | 4 | 4 | 4 | 10 | 10 | 10 | 18 |
| ZJ150BJ | 440 | 118 | 480 | 675 | 950 | 320 | 370 | 380 | 448 | 380 | 240 | 70 | 130 | 100 | 145 | 170 | 100 | 145 | 170 | 80 | 125 | 145 | 4 | 4 | 4 | 10 | 10 | 10 | 18 |
| ZJ300B | 225 | 112.5 | 314 | 775 | 1125 | 320 | 360 | 370 | 452 | 345 | 205 | 35 | 120 | 150 | 195 | 220 | 150 | 195 | 220 | 100 | 145 | 170 | 8 | 8 | 8 | 10 | 10 | 8 | 18 |
| ZJ300BJ | 600 | 197 | 640 | 775 | 1125 | 320 | 360 | 370 | 452 | 380 | 240 | 70 | 155 | 150 | 195 | 220 | 150 | 195 | 220 |
100 |
145 | 170 | 8 | 8 | 8 | 10 | 10 | 8 | 18 |
| ZJ600B | 170 | 85 | 250 | 896 | 1270 | 500 | 550 | 570 | 610 | 530 | 320 | 40 | 170 | 200 | 250 | 285 | 160 | 200 | 225 | 160 | 200 | 225 | 8 | 8 | 8 | 10 | 10 | 10 | 18 |
| ZJ5000 | 655 | 327.5 | 880 | 1915 | 2720 | 1020 | 1120 | 1150 | 1200 | 1050 | 600 | 40 | 250 | 400 | 480 | 510 | 320 | 395 | 425 | 320 | 395 | 425 | 16 | 12 | 12 | 12 | 12 | 12 | 32 |






